適用領域
               YCQ系列雙電源自動轉換開關適用于額定絕緣電壓690V、額定功率50HZ、額定工作電壓400V及以下、額定電流10A~3200A的配電系統中。主要用于供電系統在應急情況下的雙路電源轉換,最小轉換動作時間小于0.2S,以確保主要負荷(應急照明、應急樓梯、消防系統等)連續可靠工作。廣泛應用于高層樓宇、郵電通訊、工礦企業、船舶運輸、電力站、醫院、銀行等需要提供不間斷供電的重要場所。
        
    
        功能特點
	
 
型號及意義

技術參數


功能特性


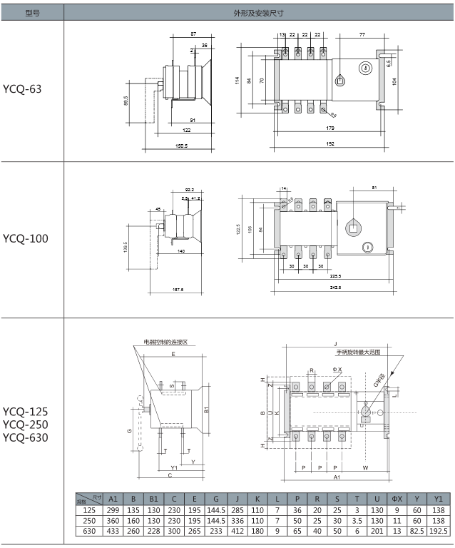
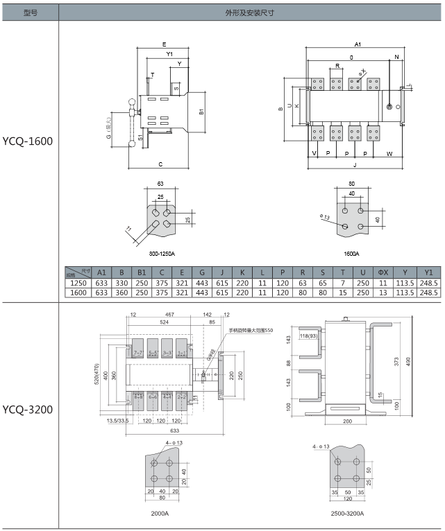
安裝尺寸
	
 
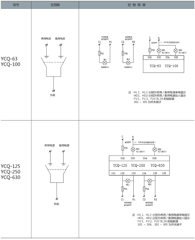
標準接線
	
 
 
	
 
*控制器操作詳見說明書

 
 
 蘇公網安備 32100302010701號
蘇公網安備 32100302010701號